¸ôµåº´Àº ÆÄ¼Õ À§ÇèÀÌ Àû°í, °í±Þ½º·´½À´Ï´Ù.
5ml~500ml ´Ù¾çÇÑ Å©±â·Î »ý»ê°¡´ÉÇÕ´Ï´Ù.
±¹Á¦Ç¥ÁØ ISO, SFDA ±âÁØ¿¡ ºÎÇÕÇÕ´Ï´Ù.
´ë·®»ý»êÀ¸·Î ¿ø°¡ Àý°¨ÀÌ °¡´ÉÇÕ´Ï´Ù.
ÀÇ·á¿ë¡¤ÈÀåǰ¡¤½Äǰ¡¤°Ç°½Äǰ ¿ë±â·Î »ç¿ë°¡´ÉÇÕ´Ï´Ù.
ÀçȰ¿ë ¼ÒÀç Àû¿ëÀ¸·Î ģȯ°æ °¡Ä¡¸¦ °ÈÇÒ ¼ö ÀÖ½À´Ï´Ù.
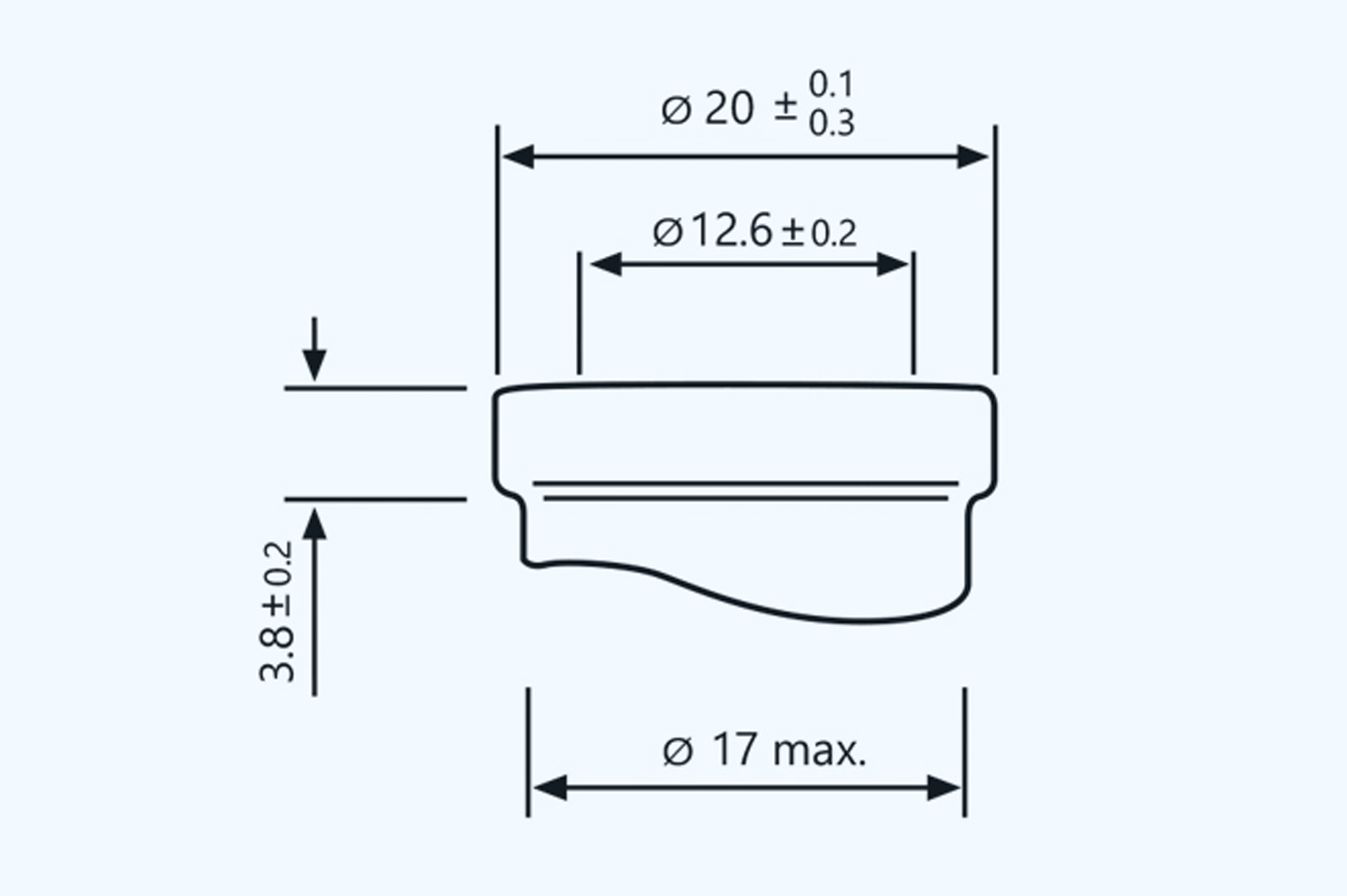
¸ðµç ¸ôµåº´Àº ISO, SFDA ±âÁØ¿¡ ºÎÇÕÇϸç, ÀÇ·á¿ë¡¤ÈÀåǰ¡¤½Äǰ¡¤°Ç°½Äǰ ¿ë±â·Î »ç¿ëÀÌ °¡´É ÇÕ´Ï´Ù. ¸ôµåº´ÀÇ ±Ô°ÝÀº 5ml~500ml±îÁö »ý»êÀÌ °¡´ÉÇϸç, ´Ù¾çÇÑ Å©±â¿Í ¸ð¾çÀ¸·Î Á¦ÀÛÀÌ °¡´ÉÇÕ´Ï´Ù.

| 410081 | 8ml | 8 | 8 | 16.0 | ISO/CFDA | 46.8 | 23.0 |
| 410101 | 10ml | 10 | 15 | 21.0 | ISO/CFDA | 53.5 | 25.4 |
| 410201 | 20ml | 20 | 26 | 29.0 | ISO/CFDA | 58.0 | 32.0 |
| 410301 | 30ml | 30 | 38 | 35.0 | ISO/CFDA | 62.8 | 36.0 |
| 410501 | 50ml | 50 | 60 | 50.0 | ISO/CFDA | 73.0 | 42.5 |
| 411001 | 100ml | 100 | 119 | 89.0 | ISO/CFDA | 94.5 | 51.6 |
*Ç¥¿¡ ³ª¿Â ±Ô°ÝÀº ´ç»ç ´ëÇ¥ ±Ô°ÝÀ¸·Î d1(°ü¿Ü°æ) s1(°üµÎ²²)¸¦ Á¦¿ÜÇÑ ³ª¸ÓÁö ±Ô°ÝÀº ÇùÀÇ ÈÄ Á¶Á¤ °¡´ÉÇÕ´Ï´Ù.

| 110071 | 7ml | 7 | 9 | 13.0 | ISO/CFDA | 40.8 | 22.1 |
| 110081 | 8ml | 8 | 10 | 16.0 | ISO/CFDA | 46.8 | 23.0 |
| 110101 | 10ml | 10 | 15 | 21.0 | ISO/CFDA | 53.5 | 25.4 |
| 110151 | 15ml | 15 | 17 | 24.0 | ISO/CFDA | 58.8 | 26.5 |
| 110201 | 20ml | 20 | 26 | 29.0 | ISO/CFDA | 58.0 | 32.0 |
| 110301 | 30ml | 30 | 38 | 35.0 | ISO/CFDA | 62.8 | 36.0 |
| 110501 | 50ml | 50 | 60 | 50.0 | ISO/CFDA | 73.0 | 42.5 |
| 111001 | 100ml | 100 | 119 | 89.0 | ISO/CFDA | 94.5 | 51.6 |
*Ç¥¿¡ ³ª¿Â ±Ô°ÝÀº ´ç»ç ´ëÇ¥ ±Ô°ÝÀ¸·Î d1(°ü¿Ü°æ) s1(°üµÎ²²)¸¦ Á¦¿ÜÇÑ ³ª¸ÓÁö ±Ô°ÝÀº ÇùÀÇ ÈÄ Á¶Á¤ °¡´ÉÇÕ´Ï´Ù.