PRODUCT
-
¾ÚÇÃ Ampoule
Á¤È®ÇÑ Ä¿ÆÃ ±â¼ú·Î Ä¿ÆÃÀÌ ½±°Ô µË´Ï´Ù.
-
´Ù¾çÇÑ ¾ÚÇÃ(Ampoule) Á¦ÀÛ
´Ù¾çÇÑ ¸ð¾çÀÇ ÀÔ±¸¸¦ °¡Áø ¾ÚÇÃ(Ampoule) Á¦ÀÛÀÌ °¡´ÉÇÕ´Ï´Ù.
-
±¹³» À¯ÀÏÇÑ »ý»ê±â¼ú
±¹³»¿¡¼ À¯ÀÏÇÏ°Ô ´õºí ¾ÚÇÃ(Ampoule) »ý»ê±â¼úÀ» º¸À¯Çϰí ÀÖ½À´Ï´Ù.
-
OPTICOM SYSTEM
÷´Ü Á¦Á¶¼³ºñÀÎ OPTICOM SYSTEMÀ» »ç¿ëÇÕ´Ï´Ù.
-
Àú»ê¼Ò ¹ö³Ê »ç¿ë
´ç»ç °³¹ß Àú»ê¼Ò ¹ö³Ê »ç¿ëÀ¸·Î ¾ËÄ®¸® ¿ëÃâÀÌ Àû½À´Ï´Ù.
-
½ÇÅ©½ºÅ©¸° Àμâ
½ÇÅ©½ºÅ©¸° Àμâ·Î Àμâ ǰÁúÀÌ ¿ì¼öÇÏ¸ç ´Ù¾çÇÑ »ö»óÀÇ ÀμⰡ °¡´ÉÇÕ´Ï´Ù.
Á¦Ç°¼Ò°³
¾ÚÇÃ AMPOULE
(ÁÖ)½ÅÀÏÆÊ±Û¶ó½º ¸ðµç ¾ÚÇÃ(Ampoule)µéÀº Á¤È®ÇÑ Ä¿ÆÃ ±â¼úÀÇ Àû¿ëÀ¸·Î ½±°Ô Ä¿ÆÃµÇ´Â ÀåÁ¡À» °¡Áö°í ÀÖ½À´Ï´Ù. ÷´Ü Á¦Á¶¼³ºñÀÎ OPTICOM SYSTEMÀÌ À¯¸®°ü ¿Ü°æ ÆíÂ÷¿Í ÁÖÀ§ ÀÛ¾÷ȯ°æ º¯È¿¡ µû¶ó ¹ö³Ê ºÒ²ÉÀÌ ÀÚµ¿ Á¦¾îµÇ¾î ±Ô°Ý ÆíÂ÷°¡ Àû°í, ÷´Ü Ä¿ÆÃ ÀåºñÀÎ OPTICUT SYSTEMÀÌ ¾ÚÇÃ(Ampoule) ¸ñÆíÂ÷¿¡ µû¶ó ¿øÆ÷ÀÎÆ® À§Ä¡°¡ Á¶ÀýµÇ¾î Ä¿ÆÃ Æ÷ÀÎÆ® °µµ°¡ ±ÕÀÏÇÕ´Ï´Ù.
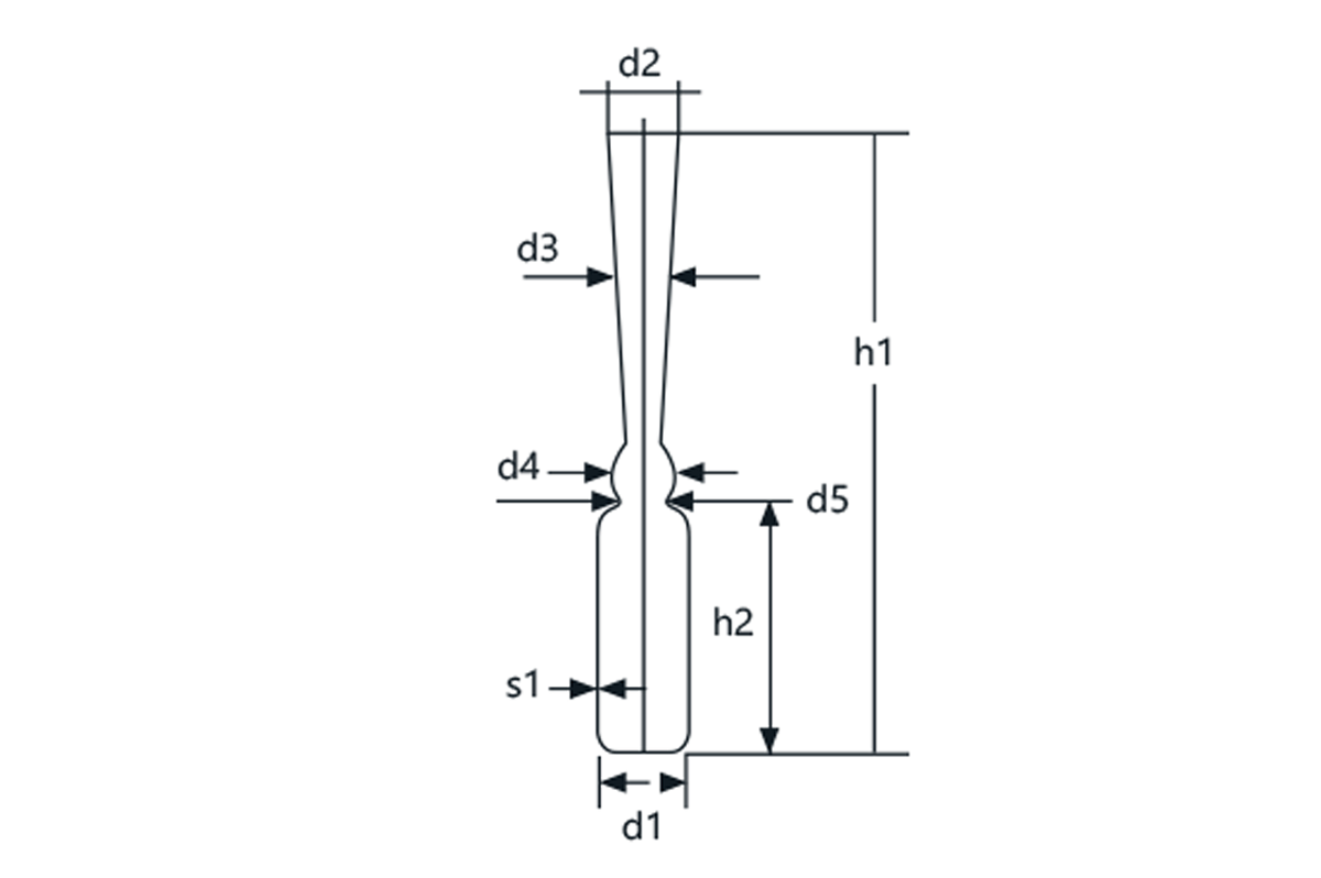
¿øÆ÷ÀÎÆ® ¾ÚÇà ±Ô°Ý ¹× ´ÜÀ§

| ml ¿ë·® |
d1 °ü¿Ü°æ |
d2 ȯ³Ú |
d3 ¿ëºÀ |
d4 ¸Ó¸® |
d5 ¸ñ |
h1 ˟ˌ |
h2 µ¿Àå |
S1 °üµÎ²² |
| 1 | 10.0 | 6.8 | 5.5 | 7.3 | 6.3 | 68.0 | 27.0 | 0.45 |
| 1 | 11.2 | 7.3 | 5.7 | 7.5 | 6.4 | 68.0 | 27.5 | 0.68 |
| 2 | 11.2 | 7.5 | 5.7 | 7.5 | 6.5 | 75.0 | 34.5 | 0.68 |
| 3 | 11.2 | 7.5 | 5.7 | 7.5 | 6.5 | 86.0 | 48.0 | 0.68 |
| 3 | 15.0 | 8.0 | 6.5 | 8.5 | 7.5 | 75.0 | 34.0 | 0.50 |
| 5 | 15.0 | 8.0 | 6.5 | 8.5 | 7.5 | 86.0 | 46.0 | 0.50 |
| 5 | 17.0 | 9.0 | 7.5 | 9.0 | 8.0 | 85.0 | 40.0 | 0.50 |
| 10 | 17.0 | 8.5 | 7.0 | 9.0 | 8.0 | 109.0 | 63.0 | 0.50 |
| 12 | 22.5 | 10.5 | 7.5 | 11.5 | 9.0 | 100.0 | 55.0 | 0.70 |
| 20 | 22.5 | 10.5 | 7.5 | 11.5 | 9.0 | 120.0 | 74.0 | 0.70 |
| 24 | 22.5 | 11.0 | 7.5 | 12.0 | 9.0 | 160.0 | 80.0 | 0.70 |
*Ç¥¿¡ ³ª¿Â ±Ô°ÝÀº ´ç»ç ´ëÇ¥ ±Ô°ÝÀ¸·Î d1(°ü¿Ü°æ) s1(°üµÎ²²)¸¦ Á¦¿ÜÇÑ ³ª¸ÓÁö ±Ô°ÝÀº ÇùÀÇ ÈÄ Á¶Á¤ °¡´ÉÇÕ´Ï´Ù.
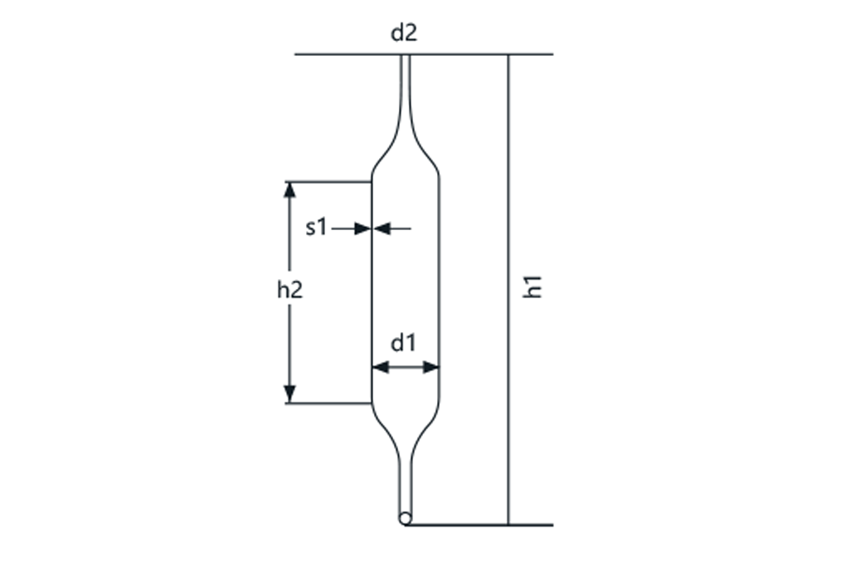
´õºí ¾ÚÇà ±Ô°Ý ¹× ´ÜÀ§

| ml ¿ë·® |
d1 °ü¿Ü°æ |
d2 ¿ë·® |
h1 ˟ˌ |
h2 µ¿Àå |
s1 °üµÎ²² |
| 5 | 12.55 | 1.7 | 94.5 | 48.0 | 0.45 |
| 7 | 15.65 | 2.0 | 94.5 | 45.0 | 0.53 |
| 10 | 15.65 | 2.0 | 111.5 | 62.0 | 0.53 |
| 15 | 19.25 | 2.3 | 118.5 | 59.5 | 0.55 |
| 20 | 19.25 | 2.3 | 134.5 | 79.0 | 0.55 |
*Ç¥¿¡ ³ª¿Â ±Ô°ÝÀº ´ç»ç ´ëÇ¥ ±Ô°ÝÀ¸·Î d1(°ü¿Ü°æ) s1(°üµÎ²²)¸¦ Á¦¿ÜÇÑ ³ª¸ÓÁö ±Ô°ÝÀº ÇùÀÇ ÈÄ Á¶Á¤ °¡´ÉÇÕ´Ï´Ù.